铁甲网首页 铁甲论坛 国产装载机变速器现状

发帖

评论

国产装载机变速器现状

老男人 2009-08-10

9547 22

国产装载机变速器现状及研发预测
作者:詹永红

    国产装载机主要采用以下3种变速器。占主导地位的变速器是:双涡轮4元件变矩器+2进1退行星式变速器(为了说明方便,称为变速器A)。高档装载机中主要是采用德国ZF公司(进口或柳州合资生产)的变速器:单涡轮3元件变矩器+4进3退定轴式变速器(为了说明方便,称为变速器B)。部分装载机厂家或部分产品采用的国产变速器:单涡轮3元件变矩器+4进4退,4进2退或3进3退定轴式变速器(为了说明方便,称为变速器C)。 

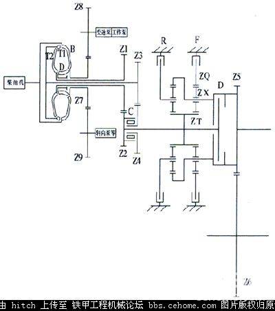
    变速器A因有超越离合器自动对变矩器的I涡轮和Ⅱ涡轮进行动力整合输出,使变矩器能实现重载和轻载两种工况的自动转换,实际上此种变速器具有4进2退的挡位,因此采用双涡轮4元件变矩器可减少变速器的挡位数,简化变速器的结构,尤其是可简化变速操纵机构,只用1根变速手柄即可实现所有换挡和换向操作。图1为此种变速器的传动简图。双涡轮4元件变矩器变矩比大(失速变矩比K0可达4以上),高效区宽(有双高效区)。图2为双涡轮4元件变矩器变矩比K和效率刀曲线。变速器A因有超越离合器自动对变矩器的I涡轮和Ⅱ涡轮进行动力整合输出,使变矩器能实现重载和轻载两种工况的自动转换,实际上此种变速器具有4进2退的挡位,因此采用双涡轮4元件变矩器可减少变速器的挡位数,简化变速器的结构,尤其是可简化变速操纵机构,只用1根变速手柄即可实现所有换挡和换向操作。图1为此种变速器的传动简图。双涡轮4元件变矩器变矩比大(失速变矩比K0可达4以上),高效区宽(有双高效区)。图2为双涡轮4元件变矩器变矩比K和效率刀曲线。 

    变速器A因有超越离合器自动对变矩器的I涡轮和Ⅱ涡轮进行动力整合输出,使变矩器能实现重载和轻载两种工况的自动转换,实际上此种变速器具有4进2退的挡位,因此采用双涡轮4元件变矩器可减少变速器的挡位数,简化变速器的结构,尤其是可简化变速操纵机构,只用1根变速手柄即可实现所有换挡和换向操作。图1为此种变速器的传动简图。双涡轮4元件变矩器变矩比大(失速变矩比K0可达4以上),高效区宽(有双高效区)。图2为双涡轮4元件变矩器变矩比K和效率刀曲线。 

    经过多年的发展,双涡轮4元件变矩器的设计和工艺都已被各生产厂家所熟练掌握,基本上没有大的故障点存在,但小故障较多。2进1退行星式变速器结构简单,维修易学,装载机维修人员经过短期培训就能上岗,不需要专门工装即可就地维修,并且配件充足,能尽快地修复机器而不耽误工程进度。此变速器采用机械--液压变速方式,通过机械方式直接操纵变速操纵阀进行变速操作。由于超越离合器的作用使重载和轻载工况自动转换,使此变速器的变速操作只需Ⅱ挡、I挡、空挡、倒挡四个位置,因此只要1根变速操纵杆就能实现变速器的换挡和换向操作。但国内生产的2进1退行星式变速器有点粗制滥造,有的齿轮热处理后不再执行齿面强化和磨齿等工艺程序,加工设备相对较落后、陈旧,材质相对较差,工装、刀具水平不高,热处理工艺落后,物流过程控制差造成零件磕碰、脏污、野蛮装配等,这些现象的存在造成此变速器故障点较多、发生故障的频率较高,严重损害了国产装载机的声誉。2进1退行星式变速器主要产生的故障有:超越离合器损坏(造成变矩器不能输出重载工况)、太阳轮或行星轮崩齿、倒挡行星轴窜动切断止动垫圈、一挡行星轴窜动切断止动盘或螺栓、轴承损坏、一倒挡摩擦片磨损或被剃齿、密封圈漏油或损坏、变速泵损坏、变速操纵阀卡阀或损坏、滤油器堵塞或损坏、油管破损、弹簧失效或断裂等等。 

图1 变速器A传动简图
图2 双涡轮四元件变矩器变矩比K、效率η曲线
变速器B是一种比较可靠的变速器,图3为ZF4WG200变速器的传动简图。此变矩器的特点是采用冲焊型一体机芯,结构紧凑,但导轮座上没有挡圈对导向轮进行卡位,因此翻转变速器时有可能使变矩器机芯掉落出来。相对双涡轮变矩器,单涡轮变矩器变矩比要小些(失速变矩器比K0一般小于4,如ZFWG200的K0值为2.55),高效区要窄些(只有单高效区)。

			
		
			
			
图4为ZF4WG200变速器的变矩比K和效率η曲线。此变速器的特点是除了输入和输出轴,其它中间轴都是固定不转的;变速泵采用效率较高的内啮合齿轮泵,并且安装在壳体内;材质特殊订制,采用压淬等热处理新工艺,齿轮采用磨齿和齿面强化处理等,关键零件均为进口,加工设备、工装、刀具等比较先进(如壳体采用进口加工中心进行加工),生产环境整洁,装配采取先进的工艺、工装。换挡控制采取电子--液压动力换挡,只需1根电子换挡手柄就能实现换向和换挡操作,并且在换挡手柄端设置有能实现从2挡到1挡的强制换挡KD键。图5为其电子换挡手柄,推动手柄能进行换向操作(并且能空挡锁止以策安全),转动手柄可完成换挡操作。由于变速手柄与变速操纵阀之间是电线连接,因此安装布置非常方便,并且可方便采用可调方向机,使驾驶操纵个性化。由于采用电脑控制换挡装置,因此除了实现4进3退之外,能很容易实现6进3退,扩展了变速器的使用范围。变速操纵阀设有平稳结合阀,使变速器的变速过程平稳、少冲击。但是,影响到此变速器推广普及的最大障碍是:1)售价高。因结构紧凑,要求好的材质和热处理工艺;因精度要求高,需要先进的设备和制造工艺,制约产量的提升。2)配件市场投放量难以与变速器A相比,且价格高,有相当数量的配件需进口。3)维修需专门工具和场地,不能和变速器A一样就地维修,这就会增加维修成本和可能影响工程进度。4)维修保养要比变速器A严格得多。 
变速器C是一种少数厂家和少数产品使用的变速器。国内在单涡轮3元件变矩器上的研究、投入和产出上相对双涡轮4元件变矩器要少得多。对于单涡轮3元件变矩器,国内做得较好的是陕西航天动力高科技股份公司生产的用于ZP 4WG200变速器的单涡轮3元件变矩器机芯,它是经过德国ZF公司认证后专门给柳州ZP公司配套的。由于国内在材质、制造设备及工艺、热处理技术及工艺、装配技术及工艺、物流管理、生产环境、人员素质等各个方面与国外有较大的差距,因此与变速器B(从技术和质量上)相比还有较大差距。从装配和拆卸上没有变速器A方便,尤其是配件充裕度没法与变速器A相比。但与变速器A相比,变速器C故障点较少,最典型的故障是漏油造成离合器油压过低,使摩擦片过度磨损,甚至烧结离合器。如配油盖有斑疤或疏松等铸造缺陷造成油封环损坏或者活塞上的油封环损坏都能造成离合器油压过低。长期低油压工作会对动力换挡变速器造成较大的危害,应尽量避免。 

      图6为山工50型变速器,它由单涡轮3元件变矩器和4进4退定轴式变速器组成。该变速器是4自由度变速器,每个挡位需结合3个离合器,因此需3根变速操纵杆:1根换向操纵杆(对F和R离合器),1根换挡操纵杆(对F1,3和F2,4离合器),还有1根高低挡操纵杆(对滑套HL)。因此变速操纵非常麻烦,这是此变速器的最大缺陷。 

    图7为淄博凯特生产的PZl33变速器,它由单涡轮3元件变矩器和3进3退定轴式变速器组成,该变速器是3自由度变速器,每个挡位需结合3个离合器,因此需2根变速操纵杆:1根换向操纵杆(对F和R离合器),1根换挡操纵杆(对L1、L2和L3离合器)。此变速器可配置于15型、18型和30型装载机上,典型的故障有波形弹簧断裂(如采用螺旋弹簧作为活塞的回位弹簧则能较好地解决这个问题)。 

    变速器C一般采用3自由度变速器(很少采用3个以上自由度),每个挡位需结合2个离合器,采用机械--液压动力变速方式时,需要2根变速操纵杆:1根进行换向操纵,1根进行换挡操纵。为了简化结构,一般采用软轴操纵,但软轴空行程较大,难以精确控制行程,因此操纵手柄难以用卡槽限位,使换挡操作没有空间铰接变速机构(如变速器A)那么清晰准确,甚至有可能造成误挂挡位。因变速操纵杆系太多,不仅增加空间布置的难度,也增加了司机操纵的难度,增加司机劳动强度,因此采用电子--液压变速方式是最好的选择。2国产装载机对变速器的要求2.1高可靠性 

    由于国产变速器故障率较高,因此市场对此意见最大。减少变速器故障点,提高变速器的可靠性是最重要和最迫切的任务。 

2.2价格应该有优势 

    中国制造的产品,不管在国内市场,还是在国际市场,价格都是竞争的法宝。况且,私人购机的比例越来越高,因此没有价格优势的产品在今天竞争异常激烈和微利的装载机行业是没有前途的。因此,变速器A会在较长时期内继续担当主要角色,但需各厂家努力提高产品的质量,降低产品的故障率。 

2.3操纵应简单、快捷 

    尽量采用1根变速操纵杆,最多不超过2根变速操纵杆,以便于空间布置和减轻司机劳动强度,提高劳动效率。 

2.4维修方便,配件充足 

    维修应该是方便的,经过培训后,广大维修人员应该能很快掌握维修技术。能就地或在附近维修点维修,不需要或尽量减少专门的维修工具,并且配件应该是充足的。总之,变速器发生故障后应能尽快修复,避免影响工程进度。 

3国产装载机变速器发展预测 

    变速器A用了这么多年,可靠性一直是难以解  决的大难题,解决变速器可靠性是变速器研发的首要目标,电子化变速操纵(电子--液压动力换挡和自动换挡)也一直是国际变速器发展的方向。所以研发符合中国国情的变速器应该是我们优先考虑的。 

    3.1采用类似于变速器C的结构 

    变速器A的行星变速器中行星轮架悬臂支撑,内齿轮径向浮动(没有轴承定位)、齿轮轮齿比较宽、倒挡行星轮架和1挡内齿轮轴向浮动(只靠摩擦片限位)、行星轮易轴向窜动,这些结构会产生异常的轴向力使变速器产生故障。另外,由于制造方面的误差,也会使超越离合器等零部件发生故障。并且各个挡位总成都装在1根轴线上,因此误差会影响到其它零件,轴向力也会传递到其它零件上。 

    定轴式变速器每根轴上的零件都能准确定位,并且误差不会累积到另一根轴上,故障要比行星式变速器少。从可靠性来看,定轴式变速器是比较理想的,现在国外装载机普遍采用定轴式变速器。采用多挡位定轴式变速器后,不再需要采用双涡轮4元件变矩器来增加挡位,也就不再需要超越离合器来整合两个涡轮的动力输出,而采用结构相对简单的单涡轮3元件变矩器。 

    3.2变速操纵杆采取1根或2根 

    为提高产品的档次,变速器采用电子--液压动力换挡或自动换挡,可采用类似于ZF的电子操纵手柄(图5)实现换向和换挡操作。为降低成本,变速器采用机械--液压动力换挡时,可采用2根变速操纵杆:1根实现换向,另1根实现换挡操作;或采用类似于CAT 966E的操纵杆实现换向和换挡操作(动作类似于ZF电子手柄),但机构比较复杂,且需变速操纵阀操纵力比较小。 

    3.3高端产品使用相当于ZF这样的产品 

    我们还需装备类似于ZF这样高质量的变速器,以满足特殊用户和特殊用途的要求。以我们目前的条件暂时还达不到完全国产化生产这样的产品,因此也可以使用进口变速器满足我们整机的高要求。
图片
全部评论